Или начните с бесплатной консультации у Наших Специалистов
по телефонам: +7 920 271-96-78 / +7 910 150 05 43
Или начните с бесплатной консультации у Наших Специалистов
по телефонам: +7 920 271-96-78 / +7 910 150 05 43
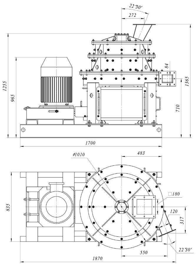
Комбинированная мельница ударно отражательного действия предназначена для измельчения материала с твердостью до 5 единиц по шкале Мооса и влажностью до 4%, с получением продукта со средними размерами частиц менее 100 мкм.
|
Технические характеристики *** |
||
|
Параметры |
Значения* |
|
| Расчетная производительность, кг/ч | до 100* | |
| Входящая фракция dн, мм | до 40* | |
| Выходящая фракция dк, мкм | до 100** | |
| Электродвигатель: | ||
| мощность, кВт | 15 | |
| число оборотов, об/мин | 3000 | |
| напряжение, В | 380 | |
| Масса дробилки, кг | 700 | |
* - параметры могут изменяться в зависимости от физических свойств материала.
** - зависит от требований Заказчика.
*** - все значения являются расчётными, или взятыми на основе тех материалов с которыми использовалась дробилка.
Мельница МК-160×700 предназначена для тонкого помола (до фракции 40-100 мкм и мельче) различных негорючих и невзрывоопасных материалов с твердостью по Моосу до 4-5 единиц.
Основной материал: Мел.
Производство меловой пасты для шпатлевок, красок, герметиков.
Производство сухих строительных смесей (шпатлевки, затирки, краски).
Производство комбикормов и минеральных добавок.
Производство бумаги, картона (наполнитель и покрытие).
Производство пластмасс, резины (наполнитель).
Также может применяться для помола:
Талька
Гипса
Известняка
Каолина
Доломита
И других подобных материалов.
Мельница МК-160×700 относится к классу маятниковых роликовых мельниц.
Подача материала: Исходный мел (кусками размером до 10-20 мм) загружается в питатель, который дозированно подает его в помольную камеру.
Помол: В центре камеры на крестовине вращается основной вал. К нему на подвесах шарнирно закреплены 4 ролика (валка). При вращении вала ролики под действием центробежной силы прижимаются к внутренней поверхности помольного кольца (чаши) и перекатываются по ней.
Классификация: Одновременно с помолом работает высокооборотный сепаратор (классификатор), расположенный в верхней части мельницы. Он представляет собой лопастной вентилятор. Мелкие частицы, достигшие требуемой тонкости, воздушным потоком уносятся через сепаратор. Крупные частицы отбрасываются лопастями сепаратора обратно в помольную зону на додоработку.
Сбор продукта: Воздушный поток с готовым продуктом (мукой) направляется в циклон-осадитель, где мел оседает и выгружается через шлюзовой затвор. Очищенный воздух может быть выброшен в атмосферу или возвращен в систему (при замкнутом цикле).
Модель: МК-160×700
Диаметр помольного кольца (чаши): 1600 мм
Количество роликов (валков): 4 шт.
Размеры роликов (примерно): Диаметр ~ 500 мм, высота ~ 300 мм (точные значения уточняются у производителя).
Производительность по мелу: (зависит от тонкости помола и влажности)
При тонине помола 0.08 мм (80 мкм): до 4.5 - 5.5 т/ч
При тонине помола 0.04 мм (40 мкм): 1.5 - 2.5 т/ч
Крупность готового продукта: 0.04 - 0.16 мм (40 - 160 мкм), регулируется.
Размер исходного материала: до 20-25 мм.
Влажность исходного материала: не более 4-6%.
Мощность главного привода (мельницы): ~ 132 - 160 кВт
Мощность привода сепаратора: ~ 30 - 45 кВт
Мощность привода вентилятора: ~ 75 - 110 кВт
Габаритные размеры (ориентировочно): ~ 10м x 6м x 8м (высота) - требуется уточнение по компоновке.
Для работы мельница редко поставляется одна. Типовая технологическая линия включает:
Щековая дробилка: для предварительного дробления крупных кусков мела.
Бункер-питатель: для равномерной подачи материала в мельницу.
Мельница МК-160×700: основное оборудование.
Система аспирации (циклоны, рукавные фильтры): для очистки воздуха от пыли и сбора продукта.
Вентилятор: создает необходимый воздушный поток в системе.
Шнековые транспортеры, элеваторы: для транспортировки продукта.
Система управления (Шкаф управления): для автоматизации процесса.
Преимущества:
Высокая эффективность помола для материалов низкой и средней твердости.
Регулируемая тонкость помола за счет изменения оборотов сепаратора.
Надежность и долговечность при работе с неабразивными материалами.
Относительно низкий уровень шума и вибраций по сравнению с шаровыми мельницами.
Компактность по сравнению с мельницами того же класса производительности.
Недостатки:
Чувствительность к абразивности и влажности. Абразивные материалы быстро изнашивают ролики и кольцо. Высокая влажность приводит к налипанию материала.
Ограничение по твердости. Не подходит для помола твердых материалов (гранит, кварц и т.д.).
Необходимость квалифицированного обслуживания.
Мельница МК-160×700 — это проверенное и эффективное решение для организации тонкого помола мела с производительностью от 2 до 5.5 тонн в час. Она является "рабочей лошадкой" во многих отраслях промышленности, где требуется качественный молотый мел.
Рекомендация: При выборе обязательно запрашивайте актуальное технико-коммерческое предложение, так как характеристики и комплектация могут незначительно меняться. Также важно рассчитать стоимость и наличие запчастей (ролики, помольное кольцо, подшипники).
Купить дробилку для мела
Мы всегда рады ответить на Ваши вопросы.
Позвонив нам по телефону, Вы всегда можете получить полную и качественную консультацию со
стороны наших технических специалистов, что поможет Вам сделать правильный выбор.
+7 920 271-96-78 / +7 910 150 05 43
Вернуться в раздел: Мельницы промышленные